Elektrotechnische Grundlagen/SmartHome Licht Wohnzimmer 2
SmartHome Licht Wohnzimmer 2
In der letzten Aufgabe habt ihr euch mit dem Aufbau eines Arduino Microcontrollers beschäftigt. Die Stromstoßschaltung des Wohnzimmers habt ihr in einem Funktionsplan (FUP) dargestellt. In dieser Woche soll das Program vom Funktionsplan in die Plattform OpenRoberta Lab übertragen werden, so dass es auf den Arduino aufgespielt werden kann.
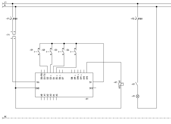
Schaltplan
Aufgaben
Sieh dir die folgenden Videos an, in denen die Programmierplattform OpenRobertaLab vorgestellt wird. Erstelle einen Account bei OpenRoberta Lab.
Richte mithilfe des Videos 04: Programmieren mit OpenRobertaLab die Anschlüsse im Programm ein. Nutze dazu den beigefügten Schaltplan.
Erstelle mithilfe von OpenRobertaLab ein Arduinoprogramm für die Stromstoßschaltung im Wohnzimmer. Beachte, dass das an den Arduino angeschlossene Stromstoßrelais die funktion eines RS-Speichergliedes übernimmt.
Dokumentiere dein Programm durch einen Screenshot. Beschreibe kurz stichpunktartig in eigenen Worten, wie dein Programm funktioniert.
Bonusaufgabe
Da es bei Microcontrollern kein RS-Speicherglied gibt, muss die Speicherfunktion durch Wenn...Dann abfragen selbst erstellt werden. Erstelle mit OpenRobertaLab ein Programm, dass die Funktion eines RS-Speichergliedes übernimmt.
Ändere dein Programm so um, dass es auch bei der Verwendung eines normalen (nicht speichernden) Relais funktioniert.
