Elektrotechnische Grundlagen/SmartHome Licht Wohnzimmer
Der Kunde Herr Willhelm beauftragt deinen Betrieb, die Lichtsteuerung in seinem Wohnzimmer zu überarbeiten. Herr Willhelm möchte sein Wohnzimmerlicht in Zukunft nicht nur über einen Taster an- und ausschalten können, sondern zusätzlich auch über eine Handyapp steuern.
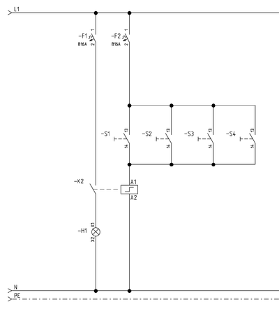
Das Wohnzimmerlicht wurde bisher über eine Stromstoßschaltung mit 4 Tastern geschaltet. Das Stromstoßrelais befindet sich in der Unterverteilung im Flur.
Der abgebildete Schaltplan zeigt die bisherige Schaltung der Wohnzimmerbeleuchtung. Das Licht wird zurzeit durch das rastende Stromstoßrelais K2 gesteuert. Mit den Tastern S1, S2, S3 und S4 kann das Licht an- und ausgeschaltet werden.
Um eine Ansteuerung der Beleuchtung über eine Handyapp zu steuern, muss das Stromstoßrelais K2 durch einen Microcontroller (µController) ersetzt werden. Dieser ist in der Lage über das WLAN mit dem Handy zu kommunizieren.
Dein Meister beauftragt dich, die oben stehende Schaltung zu analysieren und eine geeignete µController Schaltung zu entwicklen. Als µController soll der Arduino Uno verwendet werden.
Um die Funktion der geplanten Schaltung besser verstehen zu können, soll im ersten Schritt ein Versuchsaufbau mit einer Steckplatine aufgebaut werden.
Im Lernpfad Aufbau und Funktion eines Arduinos findest du alle wichtigen Informationen über den Arduino µController. Lies dir die Informationen durch.
Fasse in deinen eigenen Worten zusammen, aus welchen Komponenten ein Arduino besteht.
Ein Arduino realisiert Programme ähnlich wie eine Logo von Siemens. In der Logo werden verschiedene Logikbausteine (Und, Oder, usw) verwendet.
Erstelle für das Wohnzimmerlicht einen Funktionsplan (FUP).
