Elektrotechnische Grundlagen/Rolladenschaltung

Aus ZUM-Unterrichten
< Elektrotechnische Grundlagen
Version vom 3. Mai 2020, 18:53 Uhr von Mgoebel (Diskussion | Beiträge) (Die Seite wurde neu angelegt: „=Arduinoprogrammierung einer Rolladenschaltung= ==Arbeitssituation== {{Box|Arbeitsauftrag |Familie Hoffmann möchte ihre Rolladensteuerung im Haus erneuern.…“)
(Unterschied) ← Nächstältere Version | Aktuelle Version (Unterschied) | Nächstjüngere Version → (Unterschied)

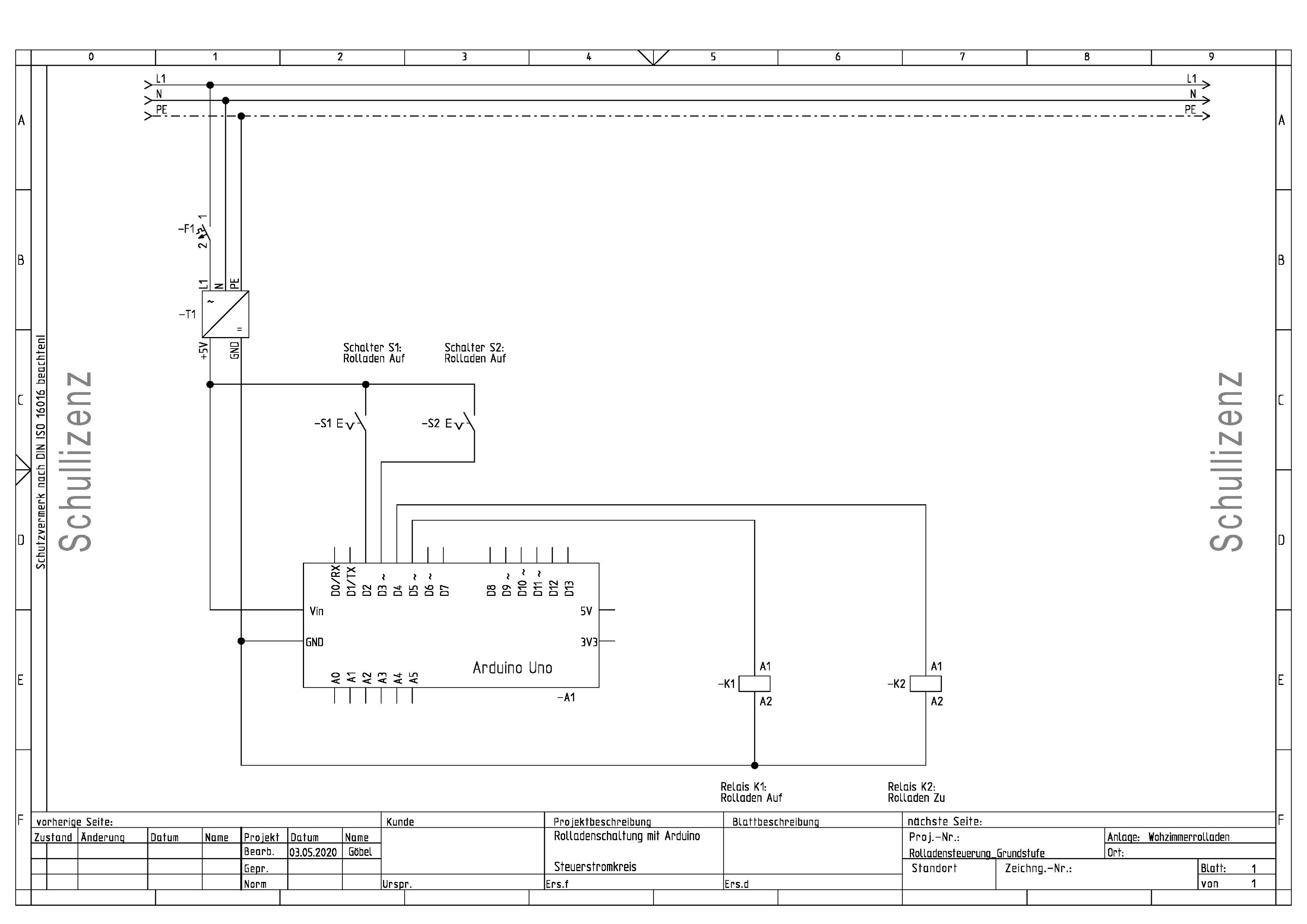
Arduinoprogrammierung einer Rolladenschaltung

Arbeitssituation

Arbeitsauftrag

Familie Hoffmann möchte ihre Rolladensteuerung im Haus erneuern. Frau Hoffmann ist sehr technik begeistert und möchte, dass die Rollandensteuerung vom Handy aus bedient werden kann.

Funktionsbechreibung

Rolladenschaltung mit Arduino Steuerungsteil

Rolladenschaltung